Was ist drin?
Ein wunderschöner Retro-Look und ein extra breiter Lenker. Der Turbho RG50 ist ein echter Retro-Motorroller mit einem sehr leistungsstarken Viertakt-125-cm3-Motor. Dieser Motor hat eine Reihe von Eigenschaften, die ihn so einzigartig machen:
- Genügsam
- Leistungsstark
- Geeignet für 98 Euro
- Niedriges Rauschen
- Geeignet für Euro 95
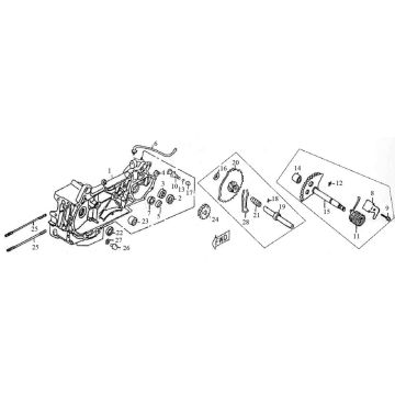
Teile und Zubehör.
Die obigen Zeichnungen enthalten Teile und Zubehör, die zu Ihrem Turbho RG50 125cc passen. Bitte beachten Sie, dass dieser Roller nur in Schwarz erhältlich ist, ebenso die Teile. Wenn Sie die Zeichnungen und die darin enthaltenen Teile verwenden, können Sie immer sicher sein, dass die Passung 100% beträgt. Auf diese Weise halten Sie das Verschleißrisiko minimal.


