Technische Zeichnungen für Turbho RG50 blaue Creme metallisch
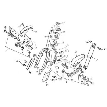
Klicken Sie hier auf die technischen Zeichnungen oder die Explosionszeichnung des blauen Metallic-Rollers Turbho RG50, für den Sie nach Teilen oder Zubehör suchen. Die technischen Zeichnungen des Turbho RG50 blue cream metallic geben Ihnen einen klaren Überblick über die verschiedenen passenden Teile und Zubehörteile. Wenn Sie nach Ihren Teilen suchen, haben Sie immer passende Teile für Ihren Turbho RG50 blau creme metallic.
Der Thurbo RG50 Roller
Der Thurbo RG50 4-Takt hat ein klassisches Aussehen. Der Retro ist mit einem GY6-Motorblock ausgestattet, der zum Auftanken von Euro 95 geeignet ist. Durch die Verwendung von Chromteilen und einem breiten Lenkrad wird der Retro-Charakter dieses Scooters noch mehr betont! Der Thurbo RG50 ist weit verbreitet und hauptsächlich zu Erholungszwecken. Es ist ein wirklich lustiger „lustiger“ Roller!
Teile und Farben
Dieser Typ ist in vielen verschiedenen Farben erhältlich. Farben, die uns bekannt sind:
• Schwarz
• Weiß
• Hellblau
• Rauchig
• Anthrazit
Es kann jedoch nicht garantiert werden, dass wenn Sie ein neues Haubenteil derselben Farbe bestellen, es genau dieselbe Farbe hat wie die Motorhauben Ihres Rollers. Die Farbe kann manchmal etwas anders sein.
Teile per technischer Zeichnung für Thurbo RG50.
Für die Wartung Ihres Thurbo RG50 ist es sehr wichtig, dass Sie gut sitzende Teile verwenden. Dies verhindert unnötigen Verschleiß und kann Ihnen viele unnötige Kosten sparen. Oben sehen Sie die Retro-Modelle, von denen wir technische Zeichnungen haben. Wählen Sie zuerst Ihr Modell aus und sehen Sie sich dann die Zeichnung an, die Sie für benötigen. Wenn Sie auf diese Weise nach Teilen suchen, haben Sie garantiert immer geeignete Teile und Zubehör für Ihren Thurbo RG50.


