Technische Zeichnungen für TYM Strada anthrazit matt
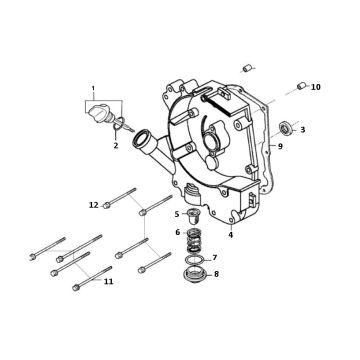
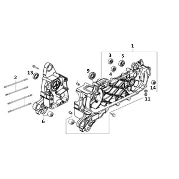
Klicken Sie hier auf die technischen Zeichnungen oder die Explosionszeichnung des Rollers TYM Strada in mattem Anthrazit, für den Sie Teile oder Zubehör suchen. Die technischen Zeichnungen des TYM Strada mattanthrazit geben Ihnen einen klaren Überblick über die verschiedenen Beschlagteile und das Zubehör. Wenn Sie nach Ihren Teilen suchen, haben Sie immer passende Teile für Ihr TYM Strada mattanthrazit.


