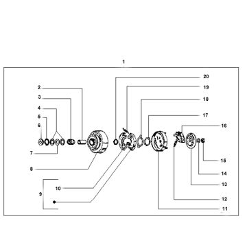
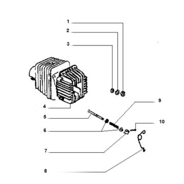
Technische Zeichnungen Vespa Ciao 2-Takt
Klicken Sie hier auf die technischen Zeichnungen oder die Explosionszeichnung des 2-Takt-Rollers Vespa Ciao, für den Sie Teile oder Zubehör suchen. Die technischen Zeichnungen der Vespa Ciao geben Ihnen einen klaren Überblick über die verschiedenen Beschlagteile und das Zubehör. Wenn Sie nach Ihren Teilen suchen, haben Sie immer passende Teile für Ihre Vespa Ciao 2-Takt.


