Technische Zeichnungen für die Vespa GTS 125 IE 2009-2016 orange 963/A
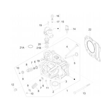
Klicken Sie hier auf die technischen Zeichnungen/Explosionszeichnung der Vespa GTS 125 IE 2009-2016 orange 963/A Die technischen Zeichnungen der Vespa GTS 125 IE 2009-2016 orange 963/A geben Ihnen einen klaren Überblick über die verschiedenen passenden Teile und das Zubehör. Wenn Sie so nach Teilen suchen, haben Sie immer passende Teile für Ihre Vespa GTS 125 IU 2009-2016 orange 963/A.


