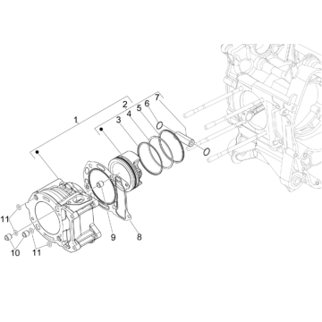
Technische Zeichnungen für Vespa GTS 300 (super mit und ohne ABS) schwarz 85/B
Klicken Sie hier auf die technischen Zeichnungen/Explosionszeichnung der Vespa GTS 300 (super mit und ohne ABS) schwarz 85/B, für die Sie Ersatzteile oder Zubehör suchen. Die technischen Zeichnungen der Vespa GTS 300 (super mit und ohne ABS) schwarz 85/B geben Ihnen einen klaren Überblick über die verschiedenen Beschlagteile und das Zubehör. Wenn Sie nach Ihren Teilen suchen, haben Sie immer passende Teile für Ihre Vespa GTS 300 (Super mit und ohne ABS) schwarz 85/B.


