Onderdelen Vespa Sprint 125 4-takt 3V ABS E5 (EMEA)
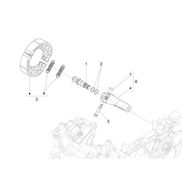
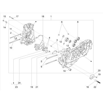
Klik hier op de technische tekeningen of exploded view van de Vespa Sprint 125 4-takt 3V ABS E5 2021(EMEA). De technische tekeningen van de Vespa Sprint 125 4-takt 3V ABS E5 2021(EMEA) geven je een duidelijk overzicht van de verschillende geschikte onderdelen en accessoires. Door op deze manier naar je onderdelen te zoeken, heb je altijd passende onderdelen voor je Vespa Sprint 125 4-takt 3V ABS E5 2021(EMEA).
De Vespa Sprint
De Vespa Sprint is een waardige opvolger van de Vespa S. Hoewel de Vespa S een zeer prettige scooter is, stuurt de Sprint veel beter. De Vespa Sprint is uitgerust met een dubbele remzuiger op de schijfrem voor. De Sprint heeft ook een veel grotere trommelrem achter dan de Vespa S. De grootste verbetering is de volledig verbeterde voorvork; die veel minder "zakt" en veel stabieler is. De Vespa Sprint heeft ook 12 inch wielen met brede banden; de Vespa S heeft daarentegen 10 en 11 inch velgen. Net als de S heeft de Sprint ook een gelakte binnenbekleding. De karakteristieke vierkante koplamp is ook bewaard gebleven! Let bij aankoop goed op de fabriekscodering op je kentekenpapieren. Denk ook aan het tectyleren van de binnenkant van je Vespa Sprint om roestvorming te voorkomen.
Onderdelen zoeken voor Vespa Sprint via tekeningen
Natuurlijk wil je je Vespa Sprint scooter optimaal onderhouden en daar heb je regelmatig onderdelen voor nodig. Natuurlijk heeft Zandri alle benodigde onderdelen voor de Vespa Sprint, zodat je de scooter optimaal kunt onderhouden.
Hierboven zie je de verschillende typen Vespa Sprint scooters waarvan we technische tekeningen hebben. Kies eerst je type, dan je model en bekijk dan de tekeningen die je nodig hebt. In het onwaarschijnlijke geval dat je nog steeds geen onderdelen kunt vinden, helpen we je graag via de chat rechtsonder in het scherm.
Onderdelen en accessoires
Er is een groot aantal onderdelen en accessoires beschikbaar voor alle verschillende typen Vespa. Vanaf deze pagina kun je navigeren naar de pagina waar alle onderdelen overzichtelijk bij elkaar staan, gerangschikt per type scooter. Voor alle universele onderdelen kun je zoeken in de categorieën of je kunt de zoekbalk rechtsboven gebruiken.


