Teile Vespa Sprint 125 4T 3V IU ABS
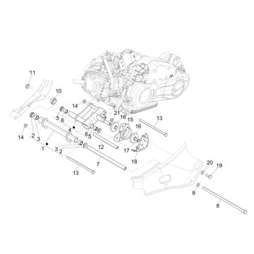
Klicken Sie hier auf die technischen Zeichnungen oder die Explosionszeichnung der Vespa Sprint 125 4T 3V IE ABS 2014-2015. Die technischen Zeichnungen der Vespa Sprint 125 4T 3V IE ABS 2014-2015 geben Ihnen einen klaren Überblick über die verschiedenen geeigneten Teile und Zubehörteile. Wenn Sie so nach Ihren Teilen suchen, haben Sie immer passende Teile für Ihre Vespa Sprint 125 4T 3V IU ABS 2014-2015
Der Vespa-Sprint
Die Vespa Sprint ist ein würdiger Nachfolger der Vespa S. Obwohl die Vespa S ein sehr angenehmer Roller ist, lenkt der Sprint viel besser. Die Vespa Sprint ist mit einem Doppelbremskolben an der vorderen Scheibenbremse ausgestattet. Der Sprint hat auch eine viel größere hintere Trommelbremse als die Vespa S. Die größte Verbesserung ist die komplett verbesserte Vorderradgabel; die viel weniger „fällt“ und viel stabiler ist. Die Vespa Sprint hat auch 12-Zoll-Räder mit breiten Reifen; die Vespa S hat auf der anderen Seite 10- und 11-Zoll-Felgen. Genau wie der S hat auch der Sprint eine lackierte Innenverkleidung. Der charakteristische quadratische Scheinwerfer wurde ebenfalls erhalten! Achten Sie beim Kauf genau auf die werkseitige Codierung Ihrer Zulassungspapiere.
Suche nach Teilen für Vespa Sprint über Zeichnungen
Natürlich möchten Sie Ihren Vespa Sprint-Roller optimal warten und benötigen dafür regelmäßig Teile. Natürlich hat Zandri alle notwendigen Teile für den Vespa Sprint, damit Sie den Roller optimieren können.
Oben sehen Sie die verschiedenen Arten von Vespa Sprint-Rollern, von denen wir technische Zeichnungen haben. Wählen Sie zuerst Ihren Typ, dann Ihr Modell und sehen Sie sich dann die benötigten Zeichnungen an. In dem unwahrscheinlichen Fall, dass Sie immer noch keine Teile finden können, helfen wir Ihnen gerne über den Chat unten rechts auf dem Bildschirm.
Teile und Zubehör
Für alle Arten von Vespa ist eine Vielzahl von Teilen und Zubehör erhältlich. Auf dieser Seite können Sie zu der Seite navigieren, auf der alle Teile bequem nach Rollertyp angeordnet sind. Für alle Universalteile können Sie die Kategorien durchsuchen oder die Suchleiste in der oberen rechten Ecke verwenden.


