Ersatzteile für Viraggio Sensa (EURO 2; für 2018)
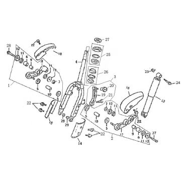
Klicken Sie hier auf die richtige Farbe des Viraggio Sensa, für den Sie Teile oder Zubehör suchen. Die technischen Zeichnungen des Viraggio Sensa (EURO 2; für 2018) geben Ihnen einen klaren Überblick über die verschiedenen Beschlagteile und das Zubehör. Die Originalteile von Viraggio Sensa passen natürlich am besten, aber wir bieten auch verschiedene gute Ersatzteile an.
Mehr lesen


