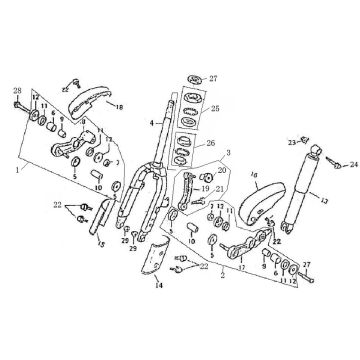
Technische Zeichnungen Vom Bella weiß schwarz
Klicken Sie hier auf die technischen Zeichnungen oder die Explosionszeichnung des weißen schwarzen Rollers Vom Bella, für den Sie nach Teilen oder Zubehör suchen. Die technischen Zeichnungen des Vom Bella weiß schwarz geben Ihnen einen klaren Überblick über die verschiedenen passenden Teile und Zubehörteile. Wenn Sie nach Ihren Teilen suchen, haben Sie immer passende Teile für Ihr Vom Bella weiß schwarz.


