Teile und Zubehör für Yamaha Aerox
Klicken Sie hier auf die richtige Version des Yamaha Aerox, für die Sie nach Teilen oder Zubehör suchen. Die technischen Zeichnungen der Yamaha Aerox geben Ihnen einen klaren Überblick über die verschiedenen Beschlagteile und das Zubehör. Natürlich passen die Originalteile von Yamaha am besten.
Teile Yamaha Aerox
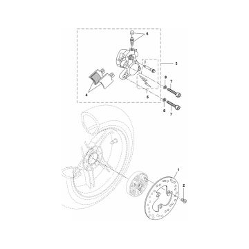
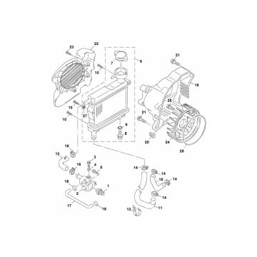
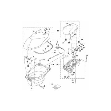
Yamaha Aerox ist der meistverkaufte Yamaha-Typ. Dieser sportliche Roller und sehr guter Lenkroller! Ein Yamaha Aerox ist nicht billig und wird sowohl mit einem 2-Takt- als auch mit einem 4-Takt-Motor geliefert. In den obigen Kategorien sind alle Teile auf technischen Zeichnungen klar. Hier finden Sie zusätzlich zu allen Originalteilen von Yamaha ein umfangreiches Sortiment an Replikatteilen.
Wie finde ich Teile für Ihren Yamaha Aerox Roller?
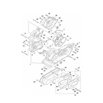
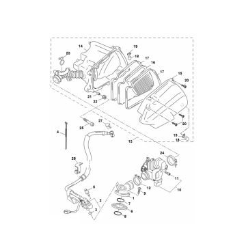
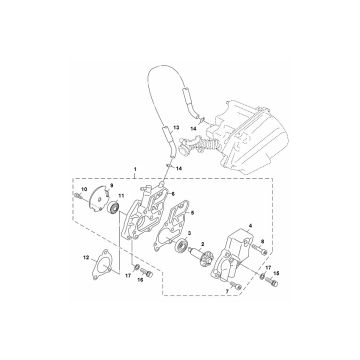
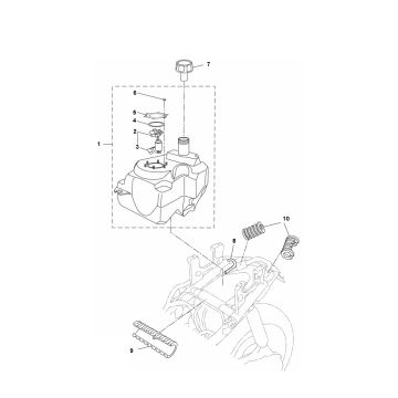
Wir können alle Teile für Ihren Yamaha Aerox Roller liefern. Wählen Sie zuerst Ihr Modell aus und sehen Sie sich dann die Zeichnung an, die Sie für benötigen. Sie können Teile aus der Zeichnung bestellen. Wenn Sie anhand dieser technischen Zeichnungen nach Teilen und Zubehör suchen, haben Sie garantiert immer passende Teile für Ihren Aerox-Roller!
Teile und Zubehör
Für alle Arten von Yamaha-Rollern ist eine große Anzahl von Teilen und Zubehör erhältlich. Von dieser Seite aus können Sie zu der Seite navigieren, auf der alle Teile übersichtlich nach Rollertyp angeordnet sind. Wir helfen Ihnen gerne bei der Suche nach den richtigen Teilen. Nehmen Sie Kontakt mit uns auf. Für alle Universalteile können Sie die Kategorien durchsuchen oder die Suchleiste in der oberen rechten Ecke verwenden.


