USP Icon
Zahlung nach der Lieferung
USP Icon
Kunden bewerten Zandri mit 9
USP Icon
Mehr als 100.000 Teile im Sortiment

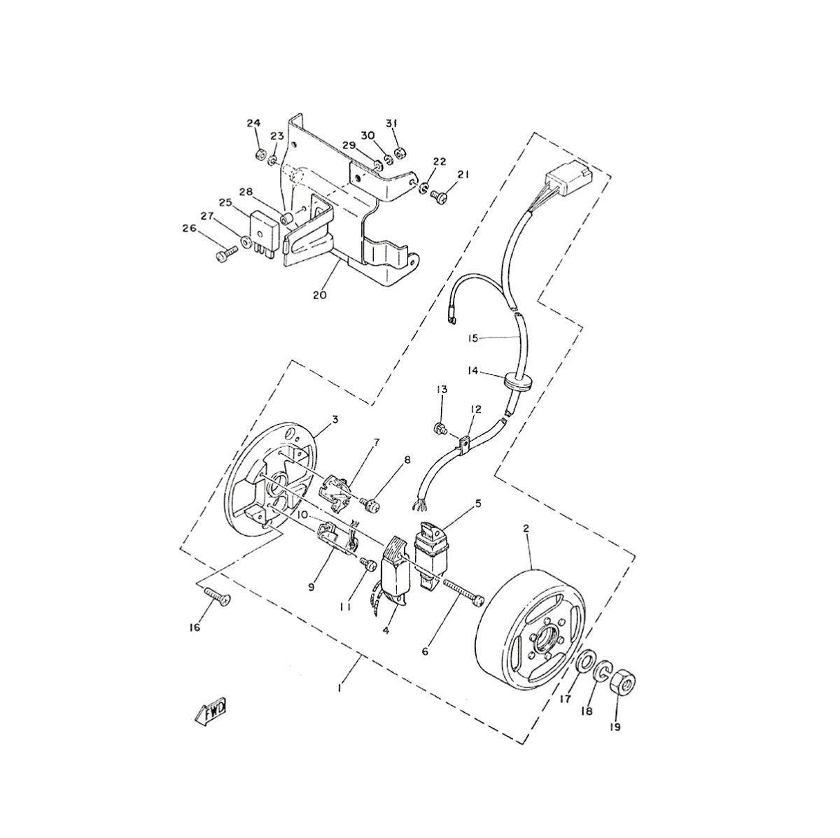
Ontsteking Yamaha FS1

Ontsteking Yamaha FS1
loader
Wird geladen...