USP Icon
Zahlung nach der Lieferung
USP Icon
Kunden bewerten Zandri mit 9
USP Icon
Mehr als 100.000 Teile im Sortiment

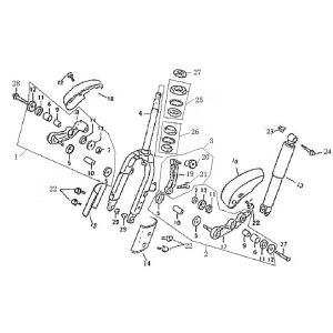
Verschiedene Teile Vom Bella Retro blue cream

Verschiedene Teile Vom Bella Retro blue cream
loader
Wird geladen...

Erstazteile Vom Bella Retro Blau Beige