Technische Zeichnungen für Vom Bella Retro blaue Creme
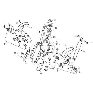
Klicken Sie hier auf die technischen Zeichnungen oder die Explosionszeichnung des Blaucreme-Rollers Vom Bella Retro, für den Sie Teile oder Zubehör suchen. Die technischen Zeichnungen des Vom Bella Retro blue cream geben Ihnen einen klaren Überblick über die verschiedenen passenden Teile und das Zubehör. Wenn Sie nach Ihren Teilen suchen, haben Sie immer passende Teile für Ihr Vom Bella Retro blue cream.


