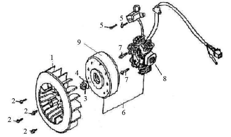
Zündung Turbo RG50 125cc
Mein Warenkorb
Produkt im Warenkorb Produkte im Warenkorb
Zwischensumme:
Versand:
Geschätzt im nächsten Schritt
Subtotal excl Tax:
Auschecken über Ihr Konto
Als Neukunde auschecken
Ein Konto zu erstellen hat viele Vorteile: