Technische Zeichnungen AGM Retro 2013 blau weiß
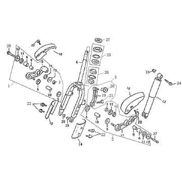
Klicken Sie hier auf die technischen Zeichnungen oder die Explosionszeichnung des blau-weißen Rollers AGM Retro 2013, für den Sie nach Teilen oder Zubehör suchen. Die technischen Zeichnungen der AGM Retro-50 geben Ihnen einen klaren Überblick über die verschiedenen Beschlagteile und das Zubehör. Wenn Sie nach Ihren Teilen suchen, haben Sie immer passende Teile für Ihre AGM Retro 2013 blau weiß.


