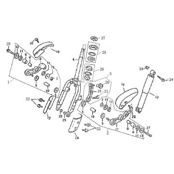
Technische Zeichnungen AGM Retro für 2013 hellblau
Klicken Sie hier auf die technischen Zeichnungen oder Explosionszeichnungen der AGM Retro für 2013 hellblau, für die Sie Teile oder Zubehör suchen. Die technischen Zeichnungen der AGM Retro-50 geben Ihnen einen klaren Überblick über die verschiedenen Beschlagteile und das Zubehör. Wenn Sie nach Ihren Teilen suchen, haben Sie immer passende Teile für Ihre AGM Retro for 2013 hellblau.


