Technische Zeichnungen für Berini Bella Milano Kaffeecreme
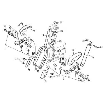
Klicken Sie hier auf die technischen Zeichnungen oder die Explosionszeichnung des Berini Bella Milano Coffee Cream Scooter, für den Sie Teile oder Zubehör suchen. Die technischen Zeichnungen der Berini Bella Milano Kaffeesahne geben Ihnen einen klaren Überblick über die verschiedenen passenden Teile und das Zubehör. Wenn Sie nach Ihren Teilen suchen, haben Sie immer passende Teile für Ihre Berini Bella Milano Kaffeecreme.


