Technische Zeichnungen für Berini Bella Milano weiß
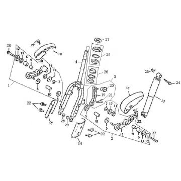
Klicken Sie hier auf die technischen Zeichnungen oder die Explosionszeichnung des weißen Rollers Berini Bella Milano, für den Sie nach Teilen oder Zubehör suchen. Die technischen Zeichnungen des Berini Bella Milano white geben Ihnen einen klaren Überblick über die verschiedenen Beschlagteile und das Zubehör. Wenn Sie nach Ihren Teilen suchen, haben Sie immer passende Teile für Ihren Berini Bella Milano weiß.


