Technische Zeichnungen für Berini Napoli mattgrün
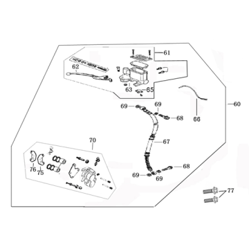
Klicken Sie hier auf die technischen Zeichnungen oder die Explosionszeichnung des mattgrünen Rollers Berini Napoli, für den Sie Teile oder Zubehör suchen. Die technischen Zeichnungen des Berini Napoli mattgrün geben Ihnen einen klaren Überblick über die verschiedenen Beschlagteile und das Zubehör. Wenn Sie nach Ihren Teilen suchen, haben Sie immer passende Teile für Ihren Berini Napoli mattgrün.


