Technische Zeichnungen für Berini Napoli weiß
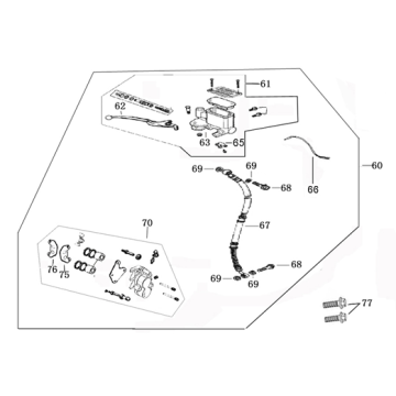
Klicken Sie hier auf die technischen Zeichnungen oder die Explosionszeichnung des weißen Rollers Berini Napoli, für den Sie nach Teilen oder Zubehör suchen. Die technischen Zeichnungen des Berini Napoli white geben Ihnen einen klaren Überblick über die verschiedenen passenden Teile und Zubehörteile. Wenn Sie nach Ihren Teilen suchen, haben Sie immer passende Teile für Ihr Berini Napoli weiß.


