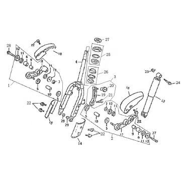
Technische Zeichnungen für Eagle-Wing Torino hellblau
Klicken Sie hier auf die technischen Zeichnungen oder die Explosionszeichnung des hellblauen Rollers Eagle-Wing Torino, für den Sie Teile oder Zubehör suchen. Die technischen Zeichnungen des Eagle-Wing Torino hellblau geben Ihnen einen klaren Überblick über die verschiedenen Beschlagteile und das Zubehör. Wenn Sie nach Ihren Teilen suchen, haben Sie immer passende Teile für Ihren Eagle-Wing Torino hellblau.


