Technische Zeichnungen für Eagle-Wing Torino orange
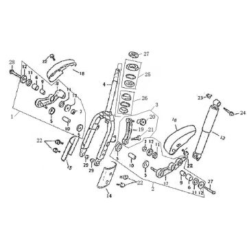
Klicken Sie hier auf die technischen Zeichnungen oder die Explosionszeichnung des orangefarbenen Rollers Eagle-Wing Torino, für den Sie nach Teilen oder Zubehör suchen. Die technischen Zeichnungen des Eagle-Wing Torino Orange geben Ihnen einen klaren Überblick über die verschiedenen Beschlagteile und das Zubehör. Wenn Sie Ihre Teile durchsuchen, haben Sie immer passende Teile für Ihre Eagle-Wing Torino Orange.


