Technische Zeichnungen für Rover Exclusive dunkelblau
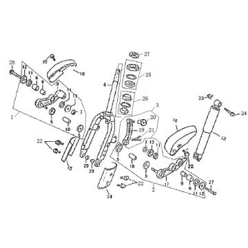
Klicken Sie hier auf die technischen Zeichnungen oder die Explosionszeichnung des dunkelblauen Rollers Rover Exclusive, für den Sie Teile oder Zubehör suchen. Die technischen Zeichnungen des Rover Exclusive in dunkelblau geben Ihnen einen klaren Überblick über die verschiedenen passenden Teile und Zubehörteile. Wenn Sie nach Ihren Teilen suchen, haben Sie immer passende Teile für Ihren Rover Exclusive dunkelblau.


