Technische Zeichnungen für Rover Exclusive weiß
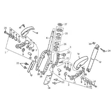
Klicken Sie hier auf die technischen Zeichnungen oder die Explosionszeichnung des weißen Rollers Rover Exclusive, für den Sie nach Teilen oder Zubehör suchen. Die technischen Zeichnungen des Rover Exclusive white geben Ihnen einen klaren Überblick über die verschiedenen passenden Teile und Zubehörteile. Wenn Sie nach Ihren Teilen suchen, haben Sie immer passende Teile für Ihren Rover Exclusive weiß.


