Technische Zeichnungen für Rover GT hellblau metallisch
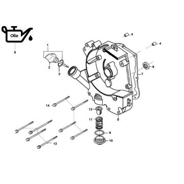
Klicken Sie hier auf die technischen Zeichnungen oder die Explosionszeichnung des hellblauen Metallic-Rollers Rover GT, für den Sie Teile oder Zubehör suchen. Die technischen Zeichnungen des Rover GT hellblau metallic geben Ihnen einen klaren Überblick über die verschiedenen passenden Teile und Zubehörteile. Wenn Sie nach Ihren Teilen suchen, haben Sie immer passende Teile für Ihren Rover GT hellblau metallic.


