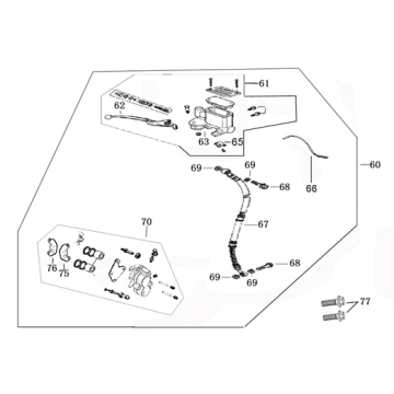
Technische Zeichnungen für Rover GT Silber
Klicken Sie hier auf die technischen Zeichnungen oder die Explosionszeichnung des silbernen Rollers Rover GT, für den Sie nach Teilen oder Zubehör suchen. Die technischen Zeichnungen des Rover GT Silber geben Ihnen einen klaren Überblick über die verschiedenen passenden Teile und Zubehörteile. Wenn Sie nach Ihren Teilen suchen, haben Sie immer passende Teile für Ihren Rover GT Silber


