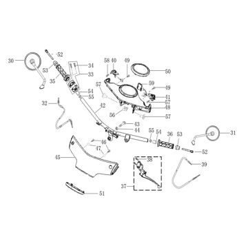
Technische Zeichnungen für BTC Ceo Titangold
Klicken Sie hier auf die technischen Zeichnungen oder die Explosionszeichnung des BTC Ceo Titangold, für den Sie nach Teilen oder Zubehör suchen. Die technischen Zeichnungen des BTC Ceo Titan Gold geben Ihnen einen klaren Überblick über die verschiedenen Beschlagteile und das Zubehör. Wenn Sie nach Ihren Teilen suchen, haben Sie immer geeignete Teile für Ihr BTC Ceo Titangold.


