Technische Zeichnungen für BTC Ceo black
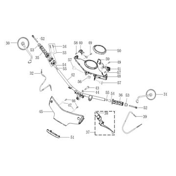
Klicken Sie hier auf die technischen Zeichnungen oder die Explosionszeichnung des BTC Ceo black, für den Sie Teile oder Zubehör suchen. Die technischen Zeichnungen des BTC Ceo black geben Ihnen einen klaren Überblick über die verschiedenen Beschlagteile und das Zubehör. Wenn Sie nach Ihren Teilen suchen, haben Sie immer die richtigen Teile für Ihren BTC CEO black.


