Technische Zeichnungen für Vom Bella Retro hellblau
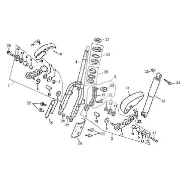
Klicken Sie hier auf die technischen Zeichnungen oder die Explosionszeichnung des hellblauen Rollers Vom Bella Retro, für den Sie Teile oder Zubehör suchen. Die technischen Zeichnungen des Vom Bella Retro hellblau geben Ihnen einen klaren Überblick über die verschiedenen Beschlagteile und das Zubehör. Wenn Sie nach Ihren Teilen suchen, haben Sie immer passende Teile für Ihr Vom Bella Retro hellblau.


