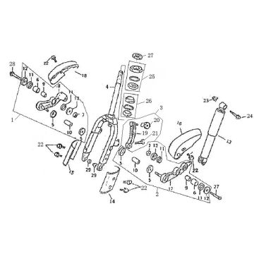
Technische Zeichnungen für Vom Bella Retro blau weiß
Klicken Sie hier auf die technischen Zeichnungen oder die Explosionszeichnung des blau-weißen Rollers Vom Bella Retro, für den Sie nach Teilen oder Zubehör suchen. Die technischen Zeichnungen des Vom Bella Retro blau-weiß geben Ihnen einen klaren Überblick über die verschiedenen passenden Teile und das Zubehör. Wenn Sie Ihre Teile suchen, haben Sie immer passende Teile für Ihr Vom Bella Retro blau weiß.


